#global.skipToContent# #global.skipToSearch# #global.skipToNav#

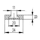
Rail d'arrimage Airline aluminium L 2998 mm percé, L 34 mm, H 9,6 mm

Rails d'arrimage Airline Alu L 2998 mm

Taper 
CHF 185.50
inclus 0% TVA , plus Expédition